公告日期:2024年11月13日
采购名称:轮缘腔流动传热试验段及试验件加工项目
项目编号:西交能学采(2024)C071
项目联系人:刘钊,13991106174
采购单位:司机社
司机社
司机社
司机社
根据国家招投标法律法规和学校管理要求, 拟以公开竞争性磋商方式采购下列服务。
一、招标采购项目内容、数量及要求:
(一)轮缘腔流动传热试验件加工项目内容、数量
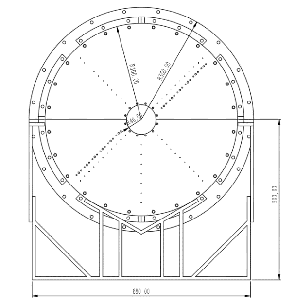
轮缘腔流动传热试验件加工项目,包括:壳体、蜗壳、叶轮、盖板等零部件1套,内环套、外环套、静盘、安装调试工装及供气系统共计12套。


轮缘腔试验件
加工工件清单及材料表
结构名称 |
数量 |
材料 |
壳体 |
1 |
7075铝合金 |
蜗壳 |
1 |
7075铝合金 |
叶轮 |
1 |
7075铝合金 |
盖板 |
1 |
7075铝合金 |
轮盘 |
12 |
亚克力 |
内环套 |
12 |
7075铝合金 |
外环套 |
12 |
7075铝合金 |
工装及供气系统 |
12 |
7075铝合金 |
(二)加工要求:
1.轮盘与轴配合为锥度配合,保证装配同轴度≤0.05mm;
2.主轴和轮盘的动平衡等级为G2.5,运行转速为1.8万rpm;
3.传热试验件轮盘主体,内外套环采用7075T铝合金材质,同时提供材质报告,并对材料进行探伤检测;要求内外套环做表面处理(阳极氧化);
4.进气盖板、进气腔、进气腔内套筒采用有机玻璃,要求高清透明,以保证观察内部的运行状态;
5.负责对零件进装配,配合完成相关的试验并能达到实验的要求;
6.除了保证以上技术要求外,对需要返修的零件要能及时快速进行返修,保证整机的安装进度;
7.承接方须具有类似项目的加工经验,并且提供相关业绩证明,零件图片等。
二、投标人的必备资格要求:
(一)符合《政府采购法》及其实施条例对投标人资格的要求;
(二)具有独立法人资格及相关证照,具有良好信誉及合同履行能力,具有良好资金、财务状况;
(三)供应商应为所提供产品的生产企业;
(四)供应商不得被列入失信被执行人、重大税收违法案件当事人名单、政府采购严重违法失信行为名单,且在西安交大国资处供应商库中无不良记录。
三、投标报名或资格预审必须提供的文件:
(一)法人营业执照副本(或登记证、注册证)和1份复印件;
(二)法定代表人授权委托书(加盖公章,请提供被授权人邮箱);
(三)生产商针对本项目产品授权书原件和1份复印件;
(四)被委托人身份证原件及法人和被委托人身份证复印件(原件验后归还,复印件须加盖公章)。
四、报名时间:2024年11月13日至2024年11月17日
报名审核通过的供应商将在报名现场获取磋商文件。
五、报名地点:
地址:西安市咸宁西路28号司机社
北二楼十三层1307室
联系人:吕老师
联系电话:029-82668721
电子邮箱: [email protected]
欢迎符合条件的供应商参加。
注:
投标人须对其所提供资料的真实性、合法性、有效性负责,如有作假,一经发现立即取消投标资格,并将其列入不良行为记录名单,同时在网上进行实名通报,一至三年内禁止参加司机社
的采购活动。
司机社
2024年11月13日